Giới thiệu cầu nâng cắt kéo 3,5 tấn Unika U-6108B
U-6108B là model cầu nâng cắt kéo kiểu xếp hình chữ X xếp đôi. Cầu nâng có thể nâng trọng lượng tối đa 3,5 tấn. Cầu nâng này xuất xứ từ Trung Quốc của thương hiệu Unika và được nhập về Việt Nam bởi Công ty Uni Việt. Đảm bảo chất lượng chính hãng, giá thành hợp lý cho người dùng và người đầu tư kinh doanh trung tâm chăm sóc xe ô tô.
Công dụng chính
Cầu nâng cắt kéo 3,5 tấn Unika U-6108B được sử dụng để nâng, hạ ô tô. Là công cụ hỗ trợ đặc lực cho thợ sửa chữa, bảo dưỡng, vệ sinh xe ô tô. Cầu nâng được trang bị chủ yếu trong các gara ô tô, tiệm rửa xe, trung tâm chăm sóc xe chuyên nghiệp.
Đặc điểm của cầu nâng

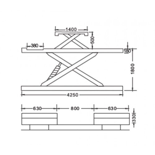
Hình dạng

Cầu nâng kiểu xếp 2 tầng. Hai bàn nâng có kích cỡ khác nhau: bàn nâng dưới dài 4,25m, bàn nâng trên dài 1,4m. Độ cao bàn nâng chính là 1,8m, kích phụ là 0,5m.
Cấu tạo
- Đế trụ
- Bàn nâng
- Tay đẩy
- Bơm thủy lực
- Xi lanh thủy lực
- Van cầu
- Bộ điều khiển
- Motor đạt công suất 2,2kw
Nguyên lý hoạt động
U-6108B hoạt động dựa trên nguyên lý của khí nén và bơm thủy lực gắn với 2 giai đoạn nâng và hạ.
- Quá trình nâng: Luồng khí nén từ máy nén khí dẫn thẳng tới bình dầu, tạo ra áp suất lên đầu truyền lực đẩy dầu đi vào van khóa rồi đến tay nâng. Áp suất của dầu sẽ đẩy piston bên trong tay nâng đi lên và cần bẩy sẽ được nâng lên từ từ. (Trong quá trình nâng cầu lên áp suất dầu sẽ được duy trì ổn định nhờ có gioăng phớt xi lanh để không làm piston bị hạ xuống).
- Quá trình hạ cầu nâng: Van khí sẽ đóng lại và piston bị ép xuống làm dầu bị đẩy trở về bình chứa. Khi đó cần bẩy sẽ thu lại và cầu được hạ xuống.
Cách thức sử dụng
Chuẩn bị nguồn điện áp 3 pha 380V.
- Quá trình nâng xe: Đỗ xe khớp với bàn nâng (2 bánh trước của xe nằm trong khoảng rỗng 4 tấm lót cao su), bầm nút Up để nâng xe lên. Chỉ mất chưa đầy 20s để nâng cầu lên tới độ cao tối đa 1,8m.
- Quá trình hạ xe: Sau khi sửa chữa, rửa xe xong, bạn ấn nút Down để hạ cầu nâng xuống.
Ưu điểm của máy
- Đĩa kiểm tra góc lái di động, phù hợp với nhiều loại xe.
- Các bộ phận bơm, gioăng phớt xi lanh, van cầu được nhập khẩu từ Italy và xi lanh thủy lực được nhập khẩu từ Đài Loan. Cầu nâng được lắp ráp đồng bộ tại Trung Quốc, đảm bảo chất lượng cũng như tính vận hành của cầu nâng tốt và lâu bền.
- Bên trong xi lanh có kết cấu đặc biệt, đảm bảo việc không bị rò rỉ dầu.
- Hệ thống điều chỉnh 24V và công tắc hành trình cho người dùng điều khiển và vận hành cầu nâng một cách dễ dàng.
Công ty Uni Việt chuyên phân phối cầu nâng chính hãng và các thiết bị, sản phẩm phục vụ cho tiệm rửa xe, trung tâm chăm sóc xe, vệ sinh công nghiệp… Đồng thời, Uni Việt cung cấp các giải pháp và dịch vụ thi công, thiết kế, lắp đặt trọn bộ thiết bị cho ý tưởng kinh doanh trung tâm chăm xe của bạn.















